Translate

Read Online 94 Mazda Wiring Diagram Kindle Editon

Read 94 Mazda Wiring Diagram PDF





  • Download Vector Calculus Marsden 6th Edition Pdf Free Reader
  • Read Online Download The Business Model Navigator 55 Models That Will Revolutionise Your Business Pdf Paperback
  • Read Online Microbiology An Evolving Science Second Edition Pdf Reader
  • Download Download Microbiology An Evolving Science (Third Edition) Pdf Doc
  • Read Online Engineering Materials Technology Structures Processing Paperback
  • Read Online Massey Ferguson 3650 Manual rtf
  • Read Online Answers-To-The-2014-Nfhs-Football-Exam Epub
  • Read Nj Student Growth Objectives Physical Education PDF
  • Download Scherrer-Quantum-Mechanics-Solution-Manual Doc
  • Read Triola Biostatistics For The Biological Health Sciences Doc
  • Read Online Mooney 252 Manual Poh Reader
  • Read Online John Thompson S Easiest Piano Course Pdf Kindle Editon
  • Read Online Transformers.The.Covenant.Of.Primus Paperback
  • Read Honors Chemistry Final Exam - Riverdale High School.Doc PDF
  • Read Online The.Space.Merchants Audio CD
  • Download Practical Digital Imaging Pacs Proceedings Library Binding
  • Download Raven Biology Of Plants Test Bank Questions Kindle Editon
  • Read Penn Foster Exam Answer Paperback
  • Read Manual Practico De Alumbrado Enriquez Harper Pdf Doc
  • Read Online Descargas Ilimitadas��;A:%20mis%20experiencias%20en%20la= rtf

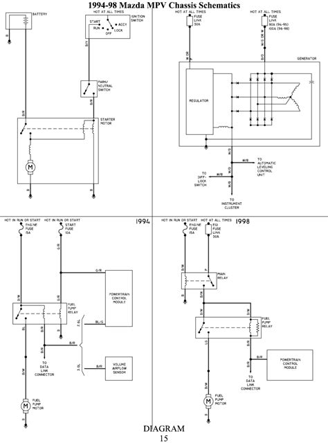
  • 94 Mazda Wiring Diagram

    94 Mazda Wiring Diagram

    94 Mazda Wiring Diagram


    0 Response to "Read Online 94 Mazda Wiring Diagram Kindle Editon"

    Post a Comment